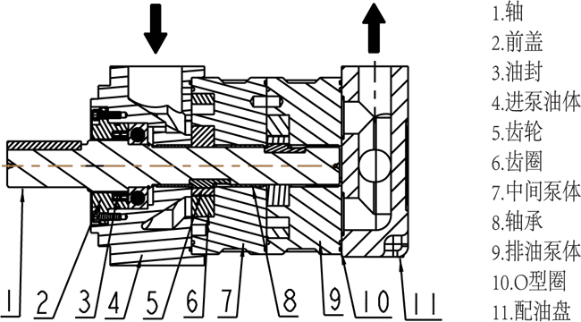
4号内啮合齿轮泵

4号高压内啮合齿轮泵

更新:2019/4/19 13:01:33      点击:
  • 品牌:   上航
  • 型号:   NBY/NBQ
  • 在线订购
产品介绍
更多产品